Massivholz Arbeitsplatten
L‑Form (L4) APL 41 – 50
Hier sind Preise für L‑Form Massivholz Arbeitsplatten schnell und einfach anzufragen.
Ein speziell programmiertes Formular macht es möglich. Sehen Sie selbst!

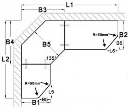
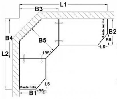
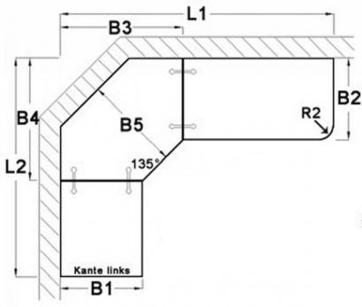
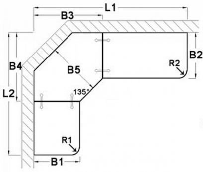
Arbeitsplatte massiv in L‑Form (L4)
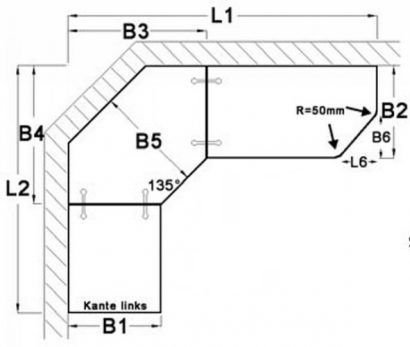
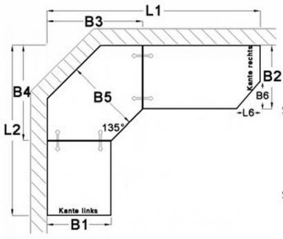
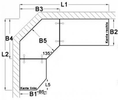
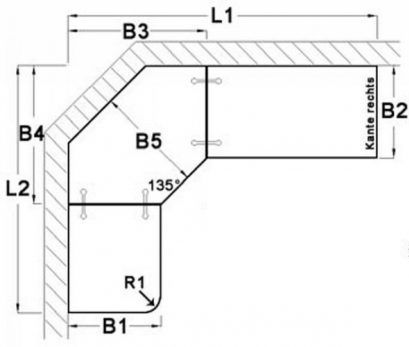
Bei Ihrer Anfrage geben Sie Ihre Eckunterschrank Maße an – in unseren Beispielzeichnungen wären es 90 x 90 cm /Die Platteneinstände bei den jeweiligen Verbindungsfräsungen werden automatisch von unserm Programm berücksichtigt. Ist der Einbau einer größeren Eckspüle vorgesehen, so sollte eine Sinus-Eckverbindung ausgewählt werden. Der Aufpreis von Standard auf Sinus beträgt ca. 80 € (Gerne beraten wir Sie hierzu auch telefonisch)